METRIC AEROSPACE STANDARD (R) BOLT, MACHINE-SPLINE EXTENDED WASHER, PD SHANK, LONG THREAD, AMS5662, METRIC MA3340™...
AEROSPACE STANDARD (R) UNION, REDUCER, FLARELESS TUBE, METRIC MA2038 Copyr ight 2015 SAE Inter national All rights...
SAE Technical Standards Board Rules provide that: “This report is published by SAE to advance the state of tech...
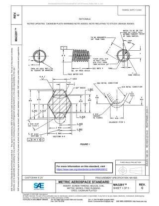
METRIC AEROSPACE STANDARD INSERT, SCREW THREAD, HELICAL COIL, METRIC SERIES, FREE RUNNING, CRES, CADMIUM PLATED MA3...
SAE values your input. To provide feedback on this Technical Report, please visit http://standards.sae.org/MA1508 AE...
AEROSPACE STANDARD HOSE ASSEMBLY , POLYTETRAFLUOROETHYLENE, CRES REINFORCED, 204 ⁰C, 21,000 K PA , 60-DEG CONE, S...
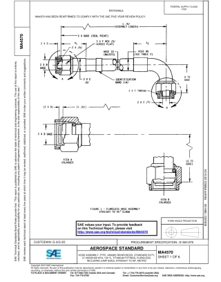
AEROSPACE STANDARD HOSE ASSEMBLY, PTFE, ARAMID REINFORCED, STANDARD DUTY,21 000/28 000 KPA, 135 ⁰C, TITANIUM FITTI...
SAE Technical Standards Board Rules provide that: “This report is published by SAE to advance the state of tech...
STUD, STEPPED - 1.5 DIA ENGAGEMENT, A286, MJ METRIC 7 X 1 - 6 X 1 MA3384 Copyright 2014 SAE International All...
METRIC AEROSPACE STANDARD (R) INSERT, SCREW THREAD, HELICAL COIL, METRIC SERIES, SCREW LOCKING, CRES, UNCOATED MA33...
METRIC AEROSPACE STANDARD GASKET, METAL C-RING, FACE SEAL, INTERNAL PRESSURE, UNS N07750, SILVER PLATED, METRIC MA2...
METRIC AEROSPACE STANDARD SPACER, SLEEVE - FOR 6 MM BOLT, AMS4901 OR AMS4921, METRIC MA3438™ Copyright © 2019 ...
METR IC A ER OSPACE STANDA R D (R) UNION, REDUCER/EXPANDER BULKHEAD, FLARELESS TUBE, METRIC MA2058 ISSUED 1986-03...
METRIC AEROSPACE STANDARD CLIP - SPRING, TENSION, INNER 5.5 MM BOLT HOLE, AMS 5525, METRIC MA3295 Copyright 2012...
__________________________________________________________________________________________________________________________________...
AEROSPACE STANDARD HOSE ASSEMBLY, POLYTETRAFLUOROETHYLENE, PTFE CRES REINFORCED, 232 ⁰C, 10,500 K PA, BEAM SEAL, S...
AEROSPACE STANDARD (R) FITTING, TEE, THIN WALL, BULKHEAD ON RUN, FLARELESS, METRIC MA2031 Copyr ight 2015 SAE Int...
SAE Technical Standards Board Rules provide that: “This report is published by SAE to advance the state of tech...
AEROSPACE STANDARD HOSE ASSEMBLY, POLYTETRAFLUOROETHYLENE, PTFE CRES REINFORCED, 232 ⁰C, 10,500 K PA, BEAM SEAL, S...
__________________________________________________________________________________________________________________________________...
ASME BPVC 2025英文原版合集(共计21个)高清电子版166
ASME BPVC 2025英文原版合集(共计21个)高清电子版1660页
