电脑桌面
添加凡人文库到电脑桌面
安装后可以在桌面快捷访问

【纺织行业标准】FZT 96020-1997 HV481、HV482、HV483型盛丝筒往复装置(机).pdfVIP免费

【纺织行业标准】FZT 96020-1997 HV481、HV482、HV483型盛丝筒往复装置(机).pdf_第1页
1/5
【纺织行业标准】FZT 96020-1997 HV481、HV482、HV483型盛丝筒往复装置(机).pdf_第2页
2/5
【纺织行业标准】FZT 96020-1997 HV481、HV482、HV483型盛丝筒往复装置(机).pdf_第3页
3/5
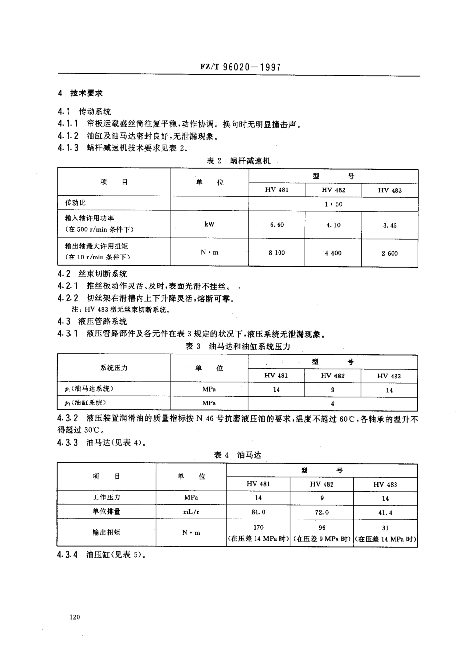
FZ/T 9602 0一 1 997前言 根据中国纺织总会纺机科(1995)007号文“关于下达《1995年纺织机械器材标准制修订计划》的通知”,由中国纺织总会纺织机电研究所和上海二纺机股份有限公司负责起草修订FJ/JQ 73- 8...

1、当您付费下载文档后,您只拥有了使用权限,并不意味着购买了版权,文档只能用于自身使用,不得用于其他商业用途(如 [转卖]进行直接盈利或[编辑后售卖]进行间接盈利)。
2、本站所有内容均由合作方或网友上传,本站不对文档的完整性、权威性及其观点立场正确性做任何保证或承诺!文档内容仅供研究参考,付费前请自行鉴别。
3、如文档内容存在违规,或者侵犯商业秘密、侵犯著作权等,请点击“违规举报”。

碎片内容

【纺织行业标准】FZT 96020-1997 HV481、HV482、HV483型盛丝筒往复装置(机).pdf

您可能关注的文档

小又鸟+ 关注
实名认证
内容提供者

该用户很懒,什么也没介绍

确认删除?
回到顶部