电脑桌面
添加凡人文库到电脑桌面
安装后可以在桌面快捷访问

【纺织行业标准】FZT 94045-1997 空气捻接器.pdfVIP免费

【纺织行业标准】FZT 94045-1997 空气捻接器.pdf_第1页
1/7
【纺织行业标准】FZT 94045-1997 空气捻接器.pdf_第2页
2/7
【纺织行业标准】FZT 94045-1997 空气捻接器.pdf_第3页
3/7
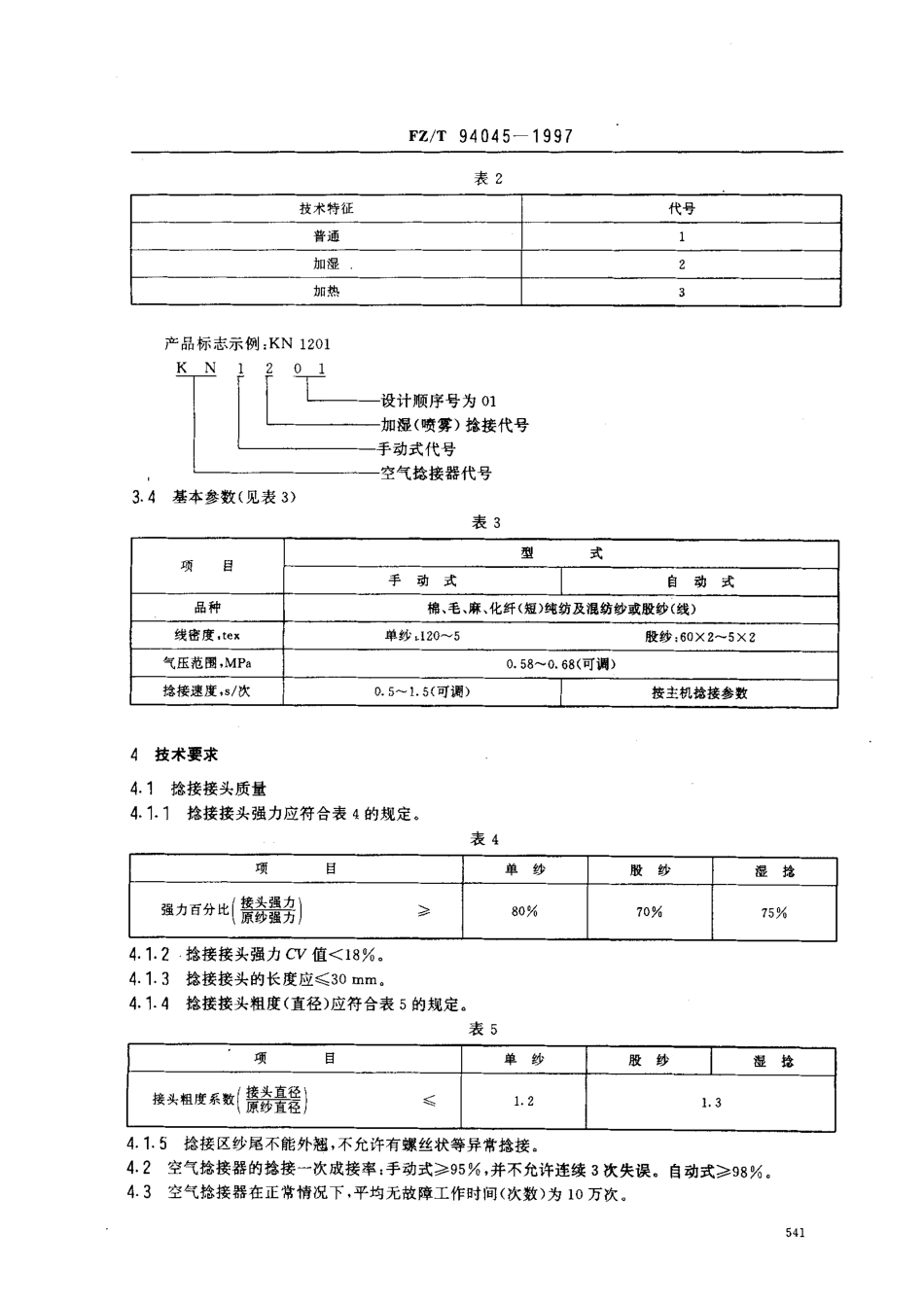
Fz /T 9404 5一 1 997前言 近年来,无结纱线在国内市场需求量日益增长,作为生产无结纱线主要工具的空气捻接器在国内应用发展很快,生产厂家迅速增加。但各生产单位缺少相互沟通,亦无统一标准约束。为此,...

1、当您付费下载文档后,您只拥有了使用权限,并不意味着购买了版权,文档只能用于自身使用,不得用于其他商业用途(如 [转卖]进行直接盈利或[编辑后售卖]进行间接盈利)。
2、本站所有内容均由合作方或网友上传,本站不对文档的完整性、权威性及其观点立场正确性做任何保证或承诺!文档内容仅供研究参考,付费前请自行鉴别。
3、如文档内容存在违规,或者侵犯商业秘密、侵犯著作权等,请点击“违规举报”。

碎片内容

【纺织行业标准】FZT 94045-1997 空气捻接器.pdf

您可能关注的文档

小又鸟+ 关注
实名认证
内容提供者

该用户很懒,什么也没介绍

确认删除?
回到顶部