电脑桌面
添加凡人文库到电脑桌面
安装后可以在桌面快捷访问

【纺织行业标准】FZT 90067-1995 纺织机械 产品图样及设计文件的借用与保管.pdfVIP免费

【纺织行业标准】FZT 90067-1995 纺织机械 产品图样及设计文件的借用与保管.pdf_第1页
1/5
【纺织行业标准】FZT 90067-1995 纺织机械 产品图样及设计文件的借用与保管.pdf_第2页
2/5
【纺织行业标准】FZT 90067-1995 纺织机械 产品图样及设计文件的借用与保管.pdf_第3页
3/5
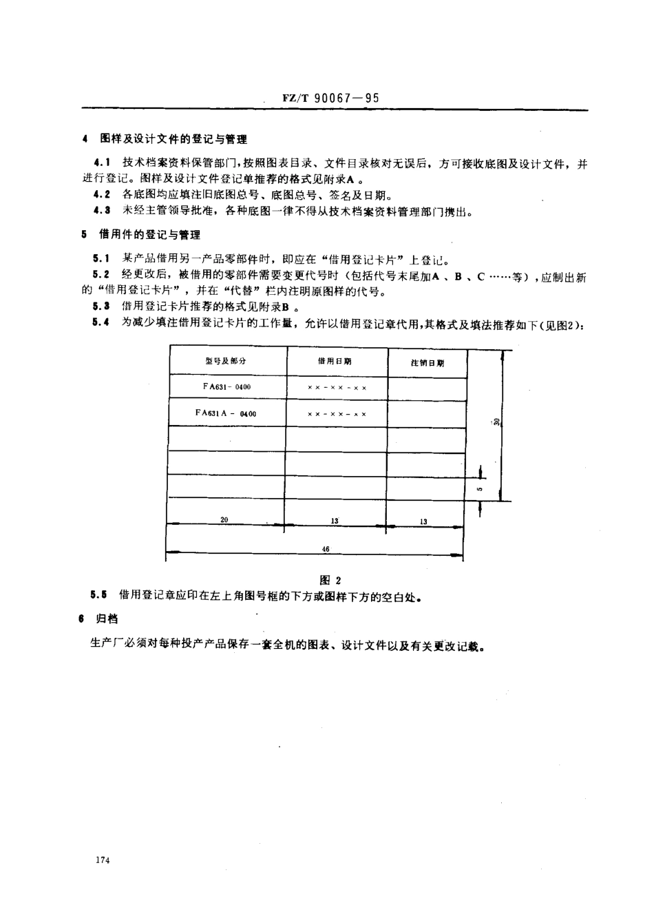
中华 人 民 共 和 国 纺 织 行 业 标 准Fz /T 90067 一 95 纺织 机械产品图样及设计文件的借用与保管代替 FJ 67一 87 本标准适用于纺织机械行业的产品设计及技术档案管理部门对产品图样、设...

1、当您付费下载文档后,您只拥有了使用权限,并不意味着购买了版权,文档只能用于自身使用,不得用于其他商业用途(如 [转卖]进行直接盈利或[编辑后售卖]进行间接盈利)。
2、本站所有内容均由合作方或网友上传,本站不对文档的完整性、权威性及其观点立场正确性做任何保证或承诺!文档内容仅供研究参考,付费前请自行鉴别。
3、如文档内容存在违规,或者侵犯商业秘密、侵犯著作权等,请点击“违规举报”。

碎片内容

【纺织行业标准】FZT 90067-1995 纺织机械 产品图样及设计文件的借用与保管.pdf

您可能关注的文档

确认删除?
回到顶部