电脑桌面
添加凡人文库到电脑桌面
安装后可以在桌面快捷访问

【纺织行业标准】FZT 93008-1991 棉纺用塑料经纱管.PDFVIP免费

【纺织行业标准】FZT 93008-1991 棉纺用塑料经纱管.PDF_第1页
1/4
【纺织行业标准】FZT 93008-1991 棉纺用塑料经纱管.PDF_第2页
2/4
【纺织行业标准】FZT 93008-1991 棉纺用塑料经纱管.PDF_第3页
3/4
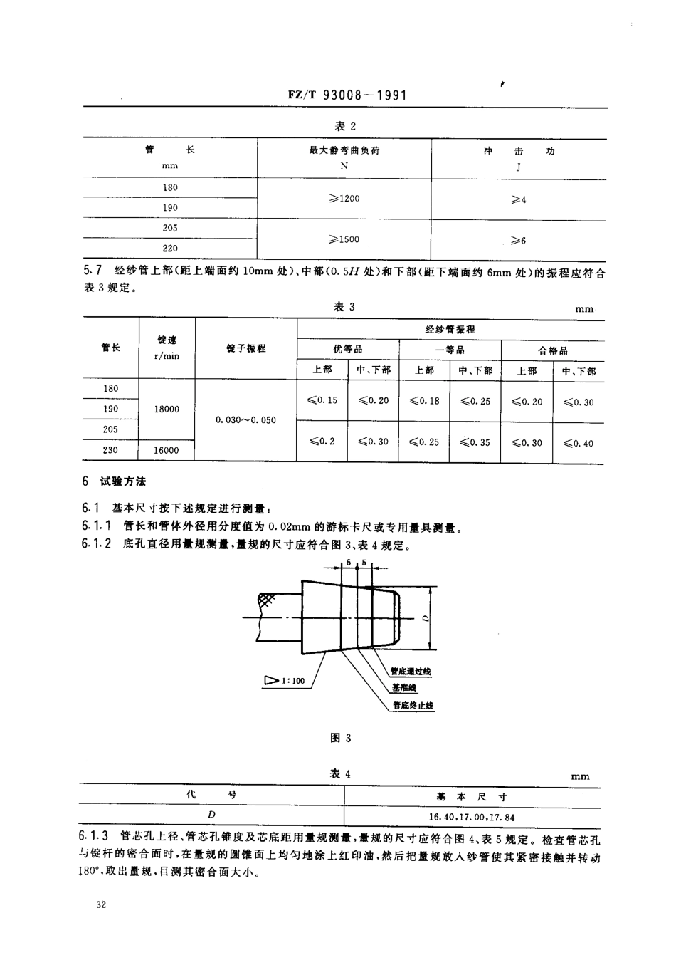
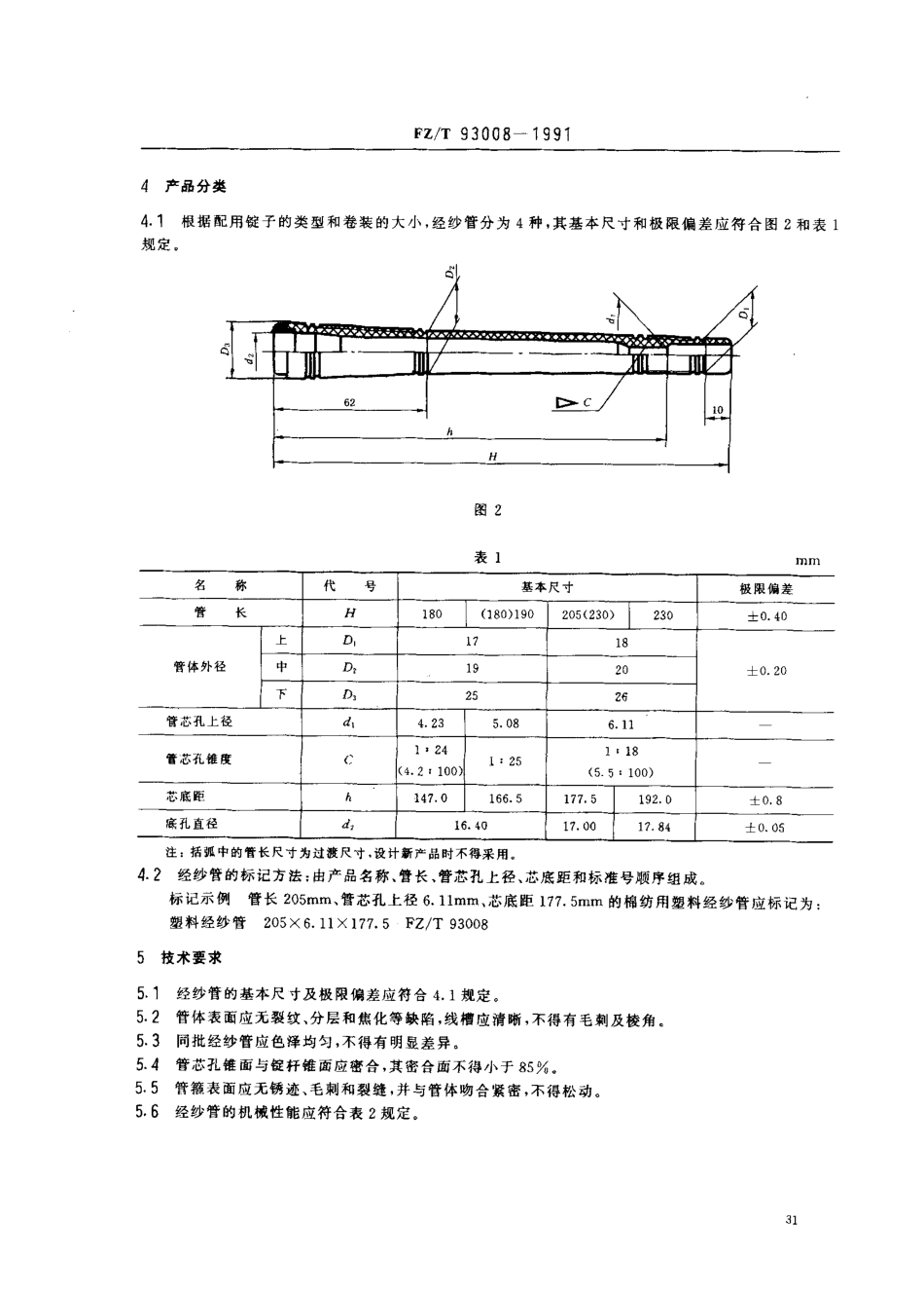
中华人民共和国纺织行业标准FZ/T 930 08 一 1991棉 纺 用 塑 料 经 纱 管代替 GBn 120-19811主题内容与适用范围本标准规定 了棉纺用塑料经纱管的主要术语、产品分类、技术要求、试验方法、检验规则...

1、当您付费下载文档后,您只拥有了使用权限,并不意味着购买了版权,文档只能用于自身使用,不得用于其他商业用途(如 [转卖]进行直接盈利或[编辑后售卖]进行间接盈利)。
2、本站所有内容均由合作方或网友上传,本站不对文档的完整性、权威性及其观点立场正确性做任何保证或承诺!文档内容仅供研究参考,付费前请自行鉴别。
3、如文档内容存在违规,或者侵犯商业秘密、侵犯著作权等,请点击“违规举报”。

碎片内容

【纺织行业标准】FZT 93008-1991 棉纺用塑料经纱管.PDF

您可能关注的文档

确认删除?
回到顶部