电脑桌面
添加凡人文库到电脑桌面
安装后可以在桌面快捷访问

【纺织行业标准】FZT 90070-1995 轴套连接要素.pdfVIP免费

【纺织行业标准】FZT 90070-1995 轴套连接要素.pdf_第1页
1/2
【纺织行业标准】FZT 90070-1995 轴套连接要素.pdf_第2页
2/2
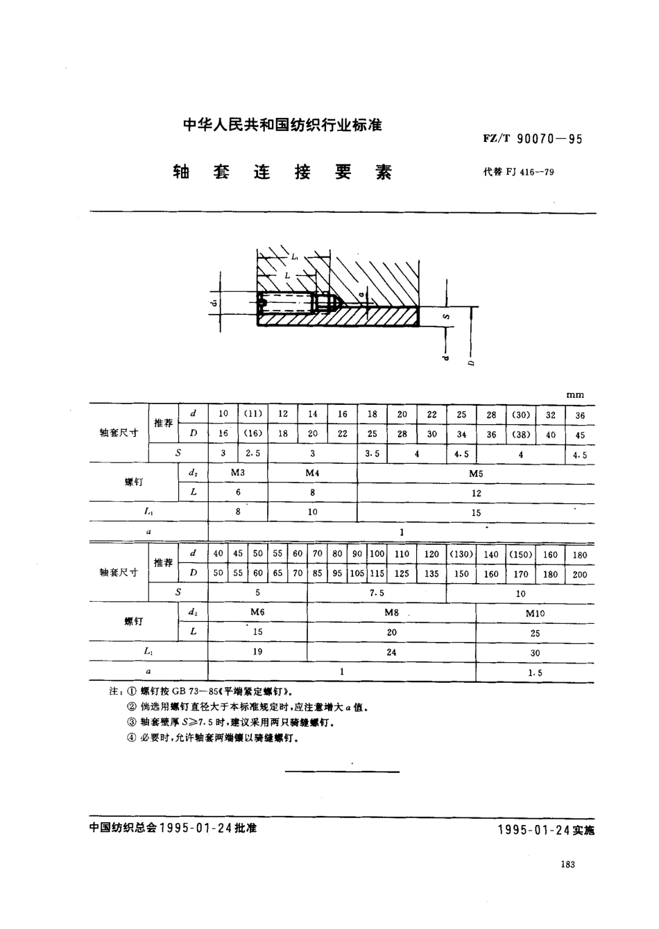
中华人民共和国纺织行业标准Fz /T 9007 0一 9 5车由套连接要素代替 F1 416- 79n l 】1 1轴套尺寸推荐d10( 1 1)1214161820222528( 30)3236D1 6( 16)1820222528303生36( 38)4045S32. 533. 544....

1、当您付费下载文档后,您只拥有了使用权限,并不意味着购买了版权,文档只能用于自身使用,不得用于其他商业用途(如 [转卖]进行直接盈利或[编辑后售卖]进行间接盈利)。
2、本站所有内容均由合作方或网友上传,本站不对文档的完整性、权威性及其观点立场正确性做任何保证或承诺!文档内容仅供研究参考,付费前请自行鉴别。
3、如文档内容存在违规,或者侵犯商业秘密、侵犯著作权等,请点击“违规举报”。

碎片内容

【纺织行业标准】FZT 90070-1995 轴套连接要素.pdf

您可能关注的文档

小又鸟+ 关注
实名认证
内容提供者

该用户很懒,什么也没介绍

确认删除?
回到顶部