电脑桌面
添加凡人文库到电脑桌面
安装后可以在桌面快捷访问

GBT 14460-2001 涤纶低弹丝.pdfVIP免费

GBT 14460-2001 涤纶低弹丝.pdf_第1页
1/5
GBT 14460-2001 涤纶低弹丝.pdf_第2页
2/5
GBT 14460-2001 涤纶低弹丝.pdf_第3页
3/5
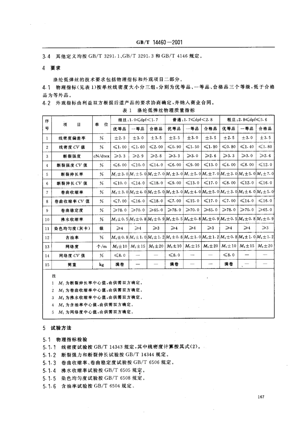
GB/T 14460- 2001前言 本标准是对GB/T 14460- 1993《涤纶低弹丝》的修订,根据近年来涤纶低弹丝生产发展快、产品质量有较大提高的特点,做了如下的修订: 1. 适用范围:单丝线密度由2. 8- 5. 6 dtex ,...

1、当您付费下载文档后,您只拥有了使用权限,并不意味着购买了版权,文档只能用于自身使用,不得用于其他商业用途(如 [转卖]进行直接盈利或[编辑后售卖]进行间接盈利)。
2、本站所有内容均由合作方或网友上传,本站不对文档的完整性、权威性及其观点立场正确性做任何保证或承诺!文档内容仅供研究参考,付费前请自行鉴别。
3、如文档内容存在违规,或者侵犯商业秘密、侵犯著作权等,请点击“违规举报”。

碎片内容

GBT 14460-2001 涤纶低弹丝.pdf

确认删除?
回到顶部