电脑桌面
添加凡人文库到电脑桌面
安装后可以在桌面快捷访问

ASTM D5159 - 21.pdfVIP免费

ASTM D5159 - 21.pdf_第1页
1/5
ASTM D5159 - 21.pdf_第2页
2/5
ASTM D5159 - 21.pdf_第3页
3/5
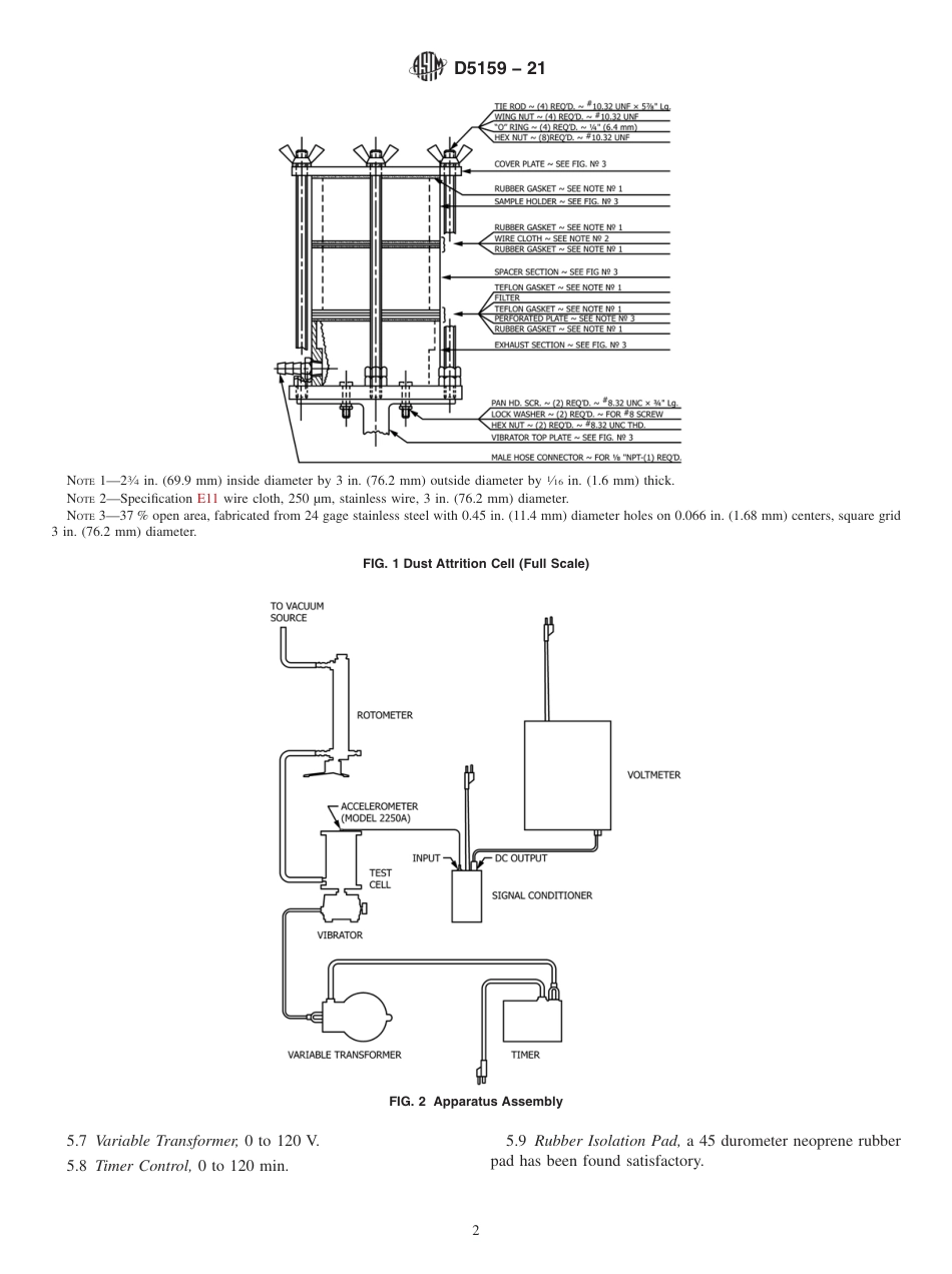
Designation: D5159 − 21Standard Guide forDusting Attrition of Granular Activated Carbon1This standard is issued under the fixed designation D5159; the number immediately foll...

1、当您付费下载文档后,您只拥有了使用权限,并不意味着购买了版权,文档只能用于自身使用,不得用于其他商业用途(如 [转卖]进行直接盈利或[编辑后售卖]进行间接盈利)。
2、本站所有内容均由合作方或网友上传,本站不对文档的完整性、权威性及其观点立场正确性做任何保证或承诺!文档内容仅供研究参考,付费前请自行鉴别。
3、如文档内容存在违规,或者侵犯商业秘密、侵犯著作权等,请点击“违规举报”。

碎片内容

ASTM D5159 - 21.pdf

确认删除?
回到顶部