电脑桌面
添加凡人文库到电脑桌面
安装后可以在桌面快捷访问

【纺织行业标准】FZT 93046-1997 棉精梳机.pdfVIP免费

【纺织行业标准】FZT 93046-1997 棉精梳机.pdf_第1页
1/4
【纺织行业标准】FZT 93046-1997 棉精梳机.pdf_第2页
2/4
【纺织行业标准】FZT 93046-1997 棉精梳机.pdf_第3页
3/4
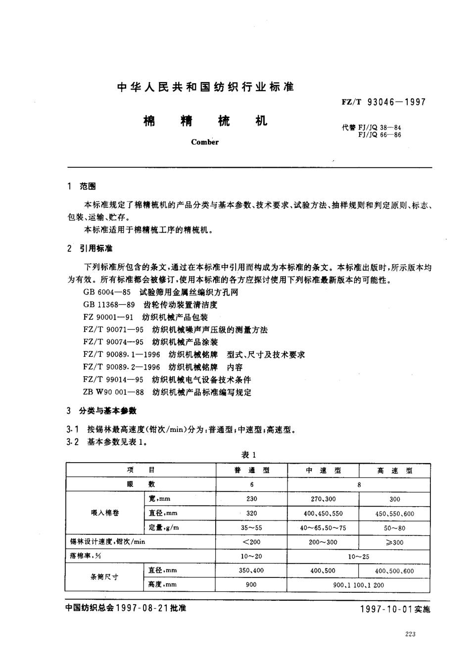
Fz /T 93046一 1 99 7前言 本标准按目前国内生产精梳机的水平层次划分为三个等级,普通型(属国内一般水平)、中速型(属国内先进水平) 、高速型(属国际先进水平) 。 本标准代替FJ/JQ 38- 84((A201D棉精...

1、当您付费下载文档后,您只拥有了使用权限,并不意味着购买了版权,文档只能用于自身使用,不得用于其他商业用途(如 [转卖]进行直接盈利或[编辑后售卖]进行间接盈利)。
2、本站所有内容均由合作方或网友上传,本站不对文档的完整性、权威性及其观点立场正确性做任何保证或承诺!文档内容仅供研究参考,付费前请自行鉴别。
3、如文档内容存在违规,或者侵犯商业秘密、侵犯著作权等,请点击“违规举报”。

碎片内容

【纺织行业标准】FZT 93046-1997 棉精梳机.pdf

您可能关注的文档

确认删除?
回到顶部