电脑桌面
添加凡人文库到电脑桌面
安装后可以在桌面快捷访问

GB 2320.2-1985 耐张线夹(压缩型).pdfVIP免费

GB 2320.2-1985 耐张线夹(压缩型).pdf_第1页
1/2
GB 2320.2-1985 耐张线夹(压缩型).pdf_第2页
2/2
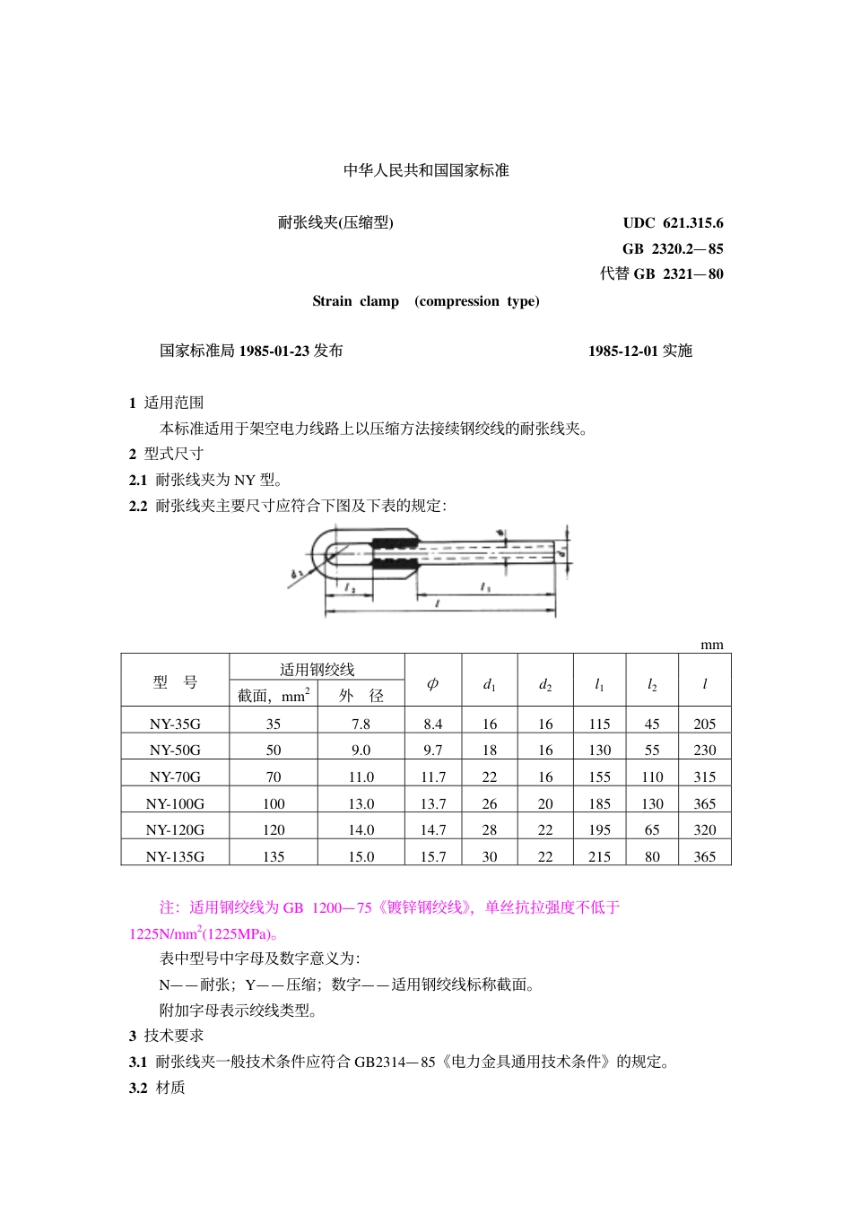
中华人民共和国国家标准 耐张线夹(压缩型) UDC 621.315.6 GB 2320.2—85 代替 GB 2321—80 Strain clamp (compression type) 国家标准局 1985-01-23 发布 1985-12-01 实施 1 适用范围 本标准...

1、当您付费下载文档后,您只拥有了使用权限,并不意味着购买了版权,文档只能用于自身使用,不得用于其他商业用途(如 [转卖]进行直接盈利或[编辑后售卖]进行间接盈利)。
2、本站所有内容均由合作方或网友上传,本站不对文档的完整性、权威性及其观点立场正确性做任何保证或承诺!文档内容仅供研究参考,付费前请自行鉴别。
3、如文档内容存在违规,或者侵犯商业秘密、侵犯著作权等,请点击“违规举报”。

碎片内容

GB 2320.2-1985 耐张线夹(压缩型).pdf

您可能关注的文档

确认删除?
回到顶部