电脑桌面
添加凡人文库到电脑桌面
安装后可以在桌面快捷访问

GB 1523-1993 绵羊毛.pdfVIP免费

GB 1523-1993 绵羊毛.pdf_第1页
1/7
GB 1523-1993 绵羊毛.pdf_第2页
2/7
GB 1523-1993 绵羊毛.pdf_第3页
3/7
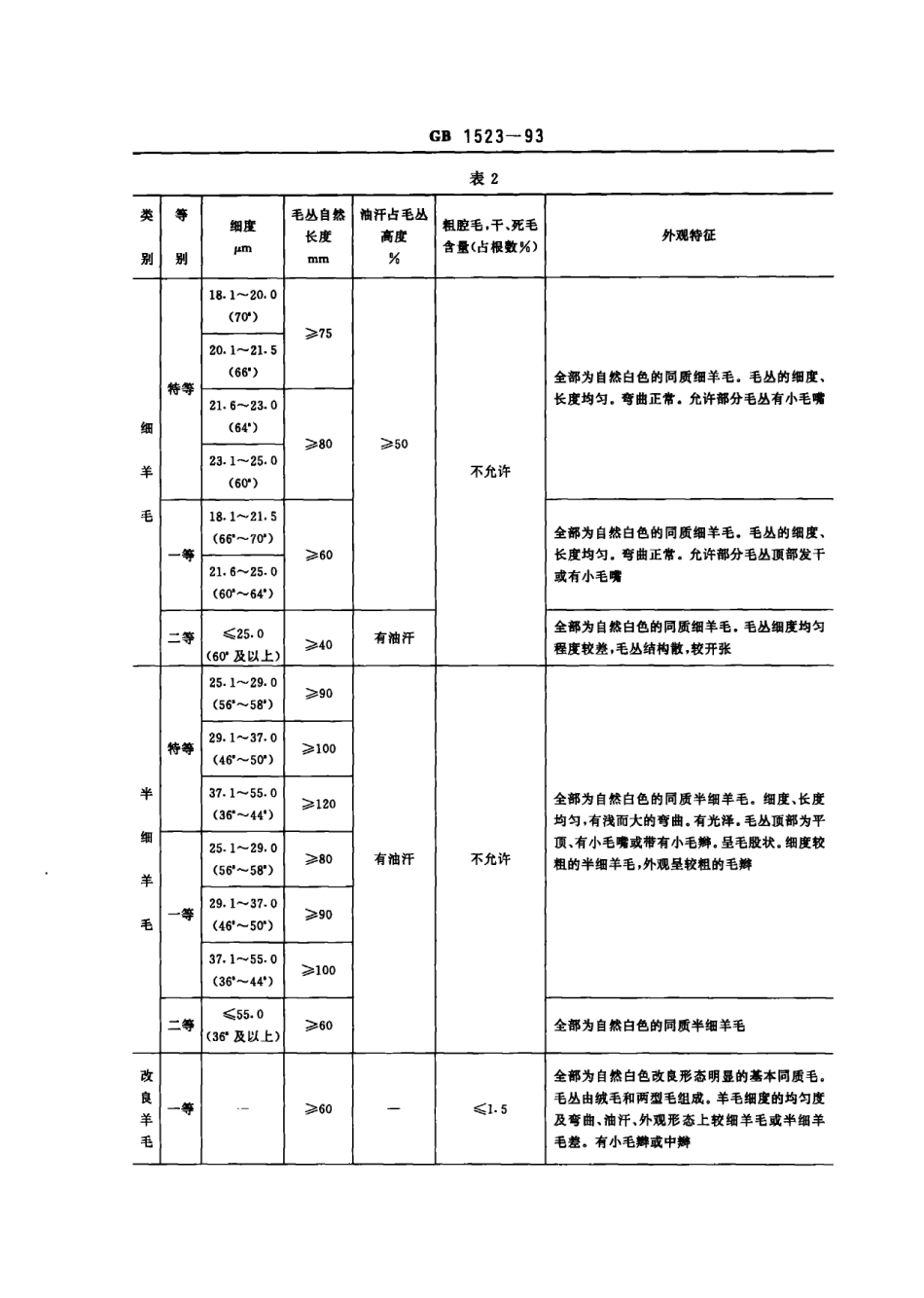
中华 人民共 和 国国家 标准 GB 1523一93 绵羊毛 代替 GB 1523- -1524- 79 W ool1主题内容与适用范围 本标准规定了细羊毛、半细羊毛、改良羊毛的分等分支技术要求、检验方法、检验规则、包装、标...

1、当您付费下载文档后,您只拥有了使用权限,并不意味着购买了版权,文档只能用于自身使用,不得用于其他商业用途(如 [转卖]进行直接盈利或[编辑后售卖]进行间接盈利)。
2、本站所有内容均由合作方或网友上传,本站不对文档的完整性、权威性及其观点立场正确性做任何保证或承诺!文档内容仅供研究参考,付费前请自行鉴别。
3、如文档内容存在违规,或者侵犯商业秘密、侵犯著作权等,请点击“违规举报”。

碎片内容

GB 1523-1993 绵羊毛.pdf

确认删除?
回到顶部