电脑桌面
添加凡人文库到电脑桌面
安装后可以在桌面快捷访问

FZT 97018-1999 经编用槽针.pdfVIP免费

FZT 97018-1999 经编用槽针.pdf_第1页
1/5
FZT 97018-1999 经编用槽针.pdf_第2页
2/5
FZT 97018-1999 经编用槽针.pdf_第3页
3/5
FZ/T 97018- 1999前言 本标准是参考德国Haase十kuh。公司同类产品质量及技术性能指标,结合国内生产厂家实际情况而制定的。 本标准从 1999年12 月1 日起实施。 本标准由原中国纺织总会技术装备部提出。 ...

1、当您付费下载文档后,您只拥有了使用权限,并不意味着购买了版权,文档只能用于自身使用,不得用于其他商业用途(如 [转卖]进行直接盈利或[编辑后售卖]进行间接盈利)。
2、本站所有内容均由合作方或网友上传,本站不对文档的完整性、权威性及其观点立场正确性做任何保证或承诺!文档内容仅供研究参考,付费前请自行鉴别。
3、如文档内容存在违规,或者侵犯商业秘密、侵犯著作权等,请点击“违规举报”。

碎片内容

FZT 97018-1999 经编用槽针.pdf

您可能关注的文档

确认删除?
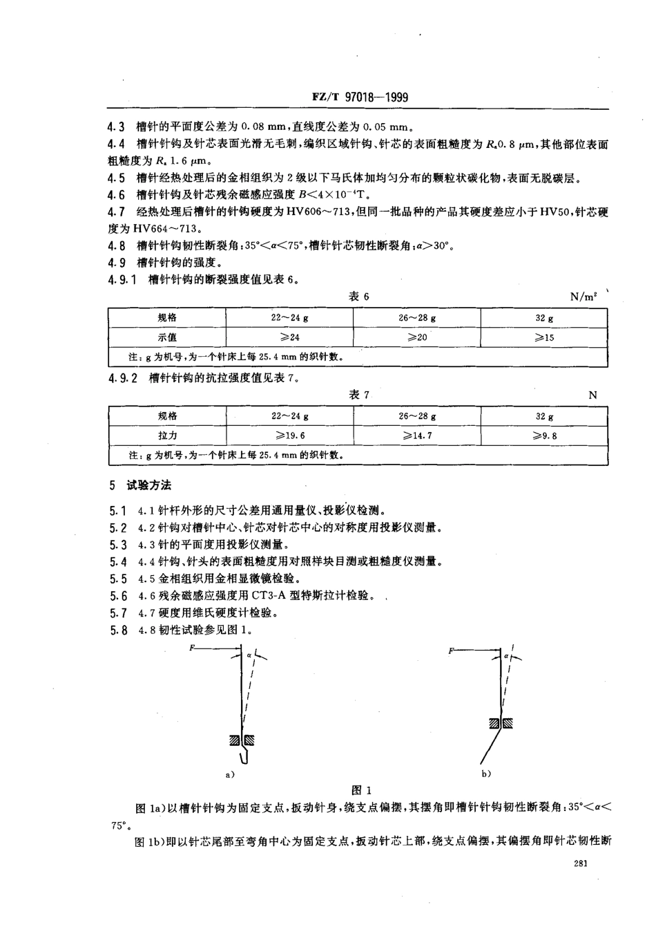
回到顶部