电脑桌面
添加凡人文库到电脑桌面
安装后可以在桌面快捷访问

FZT 95001-1991 圆网烘燥机.pdfVIP免费

FZT 95001-1991 圆网烘燥机.pdf_第1页
1/4
FZT 95001-1991 圆网烘燥机.pdf_第2页
2/4
FZT 95001-1991 圆网烘燥机.pdf_第3页
3/4
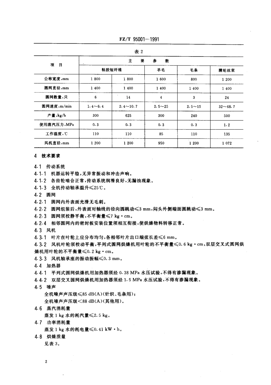
中华人民共和国纺织行业标准FZ/T 95001- 1991圆 网 烘 燥 机主题 内容与适用范围本标准规定了圆网烘燥机的结构型式、主要参数、技术要求和试验方法等。本标准适用于棉、棉与化纤混纺针织物进行供燥用的圈...

1、当您付费下载文档后,您只拥有了使用权限,并不意味着购买了版权,文档只能用于自身使用,不得用于其他商业用途(如 [转卖]进行直接盈利或[编辑后售卖]进行间接盈利)。
2、本站所有内容均由合作方或网友上传,本站不对文档的完整性、权威性及其观点立场正确性做任何保证或承诺!文档内容仅供研究参考,付费前请自行鉴别。
3、如文档内容存在违规,或者侵犯商业秘密、侵犯著作权等,请点击“违规举报”。

碎片内容

FZT 95001-1991 圆网烘燥机.pdf

您可能关注的文档

确认删除?
回到顶部