电脑桌面
添加凡人文库到电脑桌面
安装后可以在桌面快捷访问

【纺织行业标准】FZT 94042-1996 丝并捻机.pdfVIP免费

【纺织行业标准】FZT 94042-1996 丝并捻机.pdf_第1页
1/4
【纺织行业标准】FZT 94042-1996 丝并捻机.pdf_第2页
2/4
【纺织行业标准】FZT 94042-1996 丝并捻机.pdf_第3页
3/4
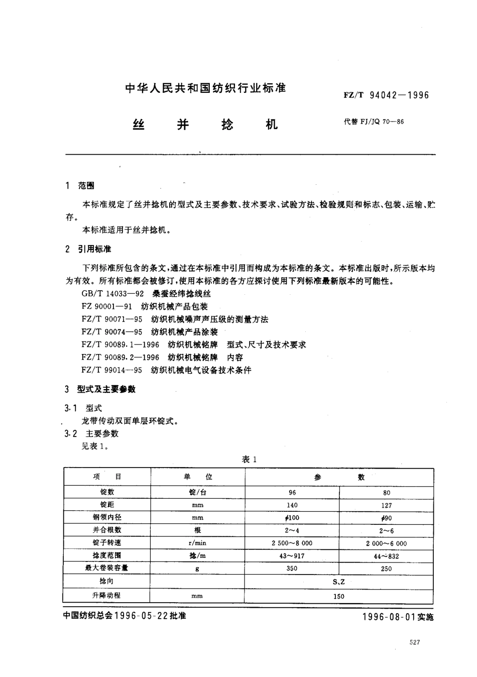
FZ/'r 94 04 2一 1 996前言 本标准取代FJ/JQ 70- 86CGD 122型并捻机》。原标准是GD 122型并捻机的产品标准,修订后的新标准是丝并捻机的行业标准,适用于将桑蚕丝、人造丝或合纤丝并合,并同时加捻的 ...

1、当您付费下载文档后,您只拥有了使用权限,并不意味着购买了版权,文档只能用于自身使用,不得用于其他商业用途(如 [转卖]进行直接盈利或[编辑后售卖]进行间接盈利)。
2、本站所有内容均由合作方或网友上传,本站不对文档的完整性、权威性及其观点立场正确性做任何保证或承诺!文档内容仅供研究参考,付费前请自行鉴别。
3、如文档内容存在违规,或者侵犯商业秘密、侵犯著作权等,请点击“违规举报”。

碎片内容

【纺织行业标准】FZT 94042-1996 丝并捻机.pdf

您可能关注的文档

确认删除?
回到顶部